Машина для просеивания барабанных прутков
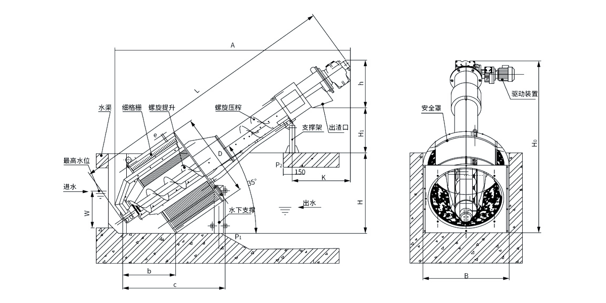
Вращающиеся барабанные сита широко применяются в проектах по очистке сточных вод муниципальных сточных вод, промышленных стоков, предприятий пищевой и бумажной промышленности. Это оборудование удаляет плавающую пену, короткие волокна и взвешенные твердые частицы из точек забора воды, а затем сбрасывает их после отжима и обезвоживания. Подходит для высокоточной очистки, идеально подходит для сценариев очистки сточных вод, требующих меньших зазоров между сетками и меньшей глубины каналов.
English
русский 











